發布時間:2019-11-05 09:16 瀏覽次數:16043
概 述: |
UL系列型阻擺式料位開關適用于工業生產過程中的料位控制。
技術參數: |
|
參數/型號 |
UL-2 |
UL-3 |
UL-4 |
|
電源及功耗 |
AC220V±10%,50Hz 5W(或DC24V 5W) |
||
|
檢測板往復頻率 |
6次/分 |
4.5次/分 |
6次/分 |
|
報警力矩(力) |
≤0.2 Nm |
|
≤3.2Nm |
|
輸出接點容量 |
普通型 AC220V·5A |
AC220V·5A |
普通型 AC220V·5A |
|
環境溫度 |
-25~85℃ |
||
|
環境濕度 |
≤85% |
||
|
動作延時 |
2~6秒 |
3~7秒 |
2~6秒 |
|
檢測板擺角 |
30°±5° |
|
30°±5° |
|
被測介質溫度 |
L(低) ≤90℃ |
L(低) ≤90℃ |
LU-4≤300℃ |
|
料倉壓力 |
常壓 |
常壓 |
≤0.3MPa |
|
介質粒度及密度 |
粒度<30mm,密度>0.2g/cm3 |
粒度<100mm,密度>0.5g/cm3 |
粒度<30mm,密度>0.4g/cm3 |
|
測量范圍 |
水平安裝150~1000mm |
1~30m |
水平安裝300~1000mm |
|
安裝型式 |
法蘭或G 1½"管螺紋連接 |
法蘭連接 |
法蘭連接 |
應用范圍: |
適用于化學.建筑.冶金.醫藥.食品.電力.環保等工業的粉類及顆粒狀的料位的過程控制。
工作原理: |
UL-2、4料位開關采用擺動式傳動系統。檢測板受阻時,主軸受阻力矩而靜止,電機繼續運行,進而使檢測杠桿運作,使微動開關動作,發出料位信號,同時切斷電源,電機停止工作。當料位下降阻力消失時,杠桿在彈簧力作用下而復位,電機恢復工作,發出料位信號,儀表又處于檢測狀態。
UL-3型物位開關采用擺復式傳動系統。擺動軸的軸端對稱掛有重錘及配重砣。無物料時,重錘失重,彈簧拉力克服了配重砣的重力使軸靜止,電機使測量撥叉張開動作,微動開關動作,發出料面信號;若物料夾住重錘下行,亦可使拔叉張開動作,發出料面信號,同時限位座靠在底板上,限制重錘繼續下行,使儀表內部免受沖擊及拉力,切斷電機電源。
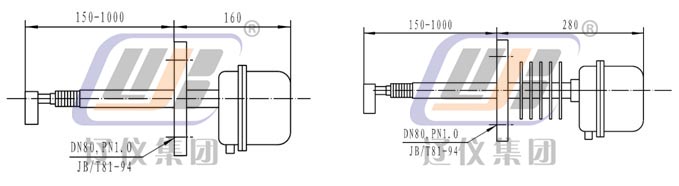
外型尺寸: |
UL-2型

外型尺寸: |
UL-3型

UL-4型

接線: |
微動開關、常規型
微動開關,繼電器輸出型
原理電路與接線

Phone: 13352349933
Tel: 0419-2122560 0419-2123500
Email: lyyb1958@163.com
Add: 注冊地址:遼寧省遼陽市白塔區衛國路67號 生產地址(郵寄地址):遼寧省遼陽市宏偉區光華街12號