發布時間:2019-11-05 08:32 瀏覽次數:16876
概 述: |
沖量式流量計(沖板流量計)主要應用于化工、水泥、冶金礦山、鋼廠、電解鋁、糧食加工、醫藥、水處理、環境保護等物料流體的測量。流量計可對各種物料流量進行在線連續測量,具有瞬時流量、累計流量、按比例配料、定量控制等多種輸出功能。
流量計為整體設計,杜絕了工廠產品的浪費和污染,降低了工廠維護。保證了產品質量和工廠效率。由于流量計為緊密防塵型,它可給我們提供一個健康的工作環境。特別對于有危險物質檢測的工況。
原 理: |
干燥的散裝固體物料自由落體沖擊到傳感檢測板(沖板)上后,傳感檢測板產生機械偏移。然后散裝物料流連續而無阻礙的通過。即:由于沖擊力與傳感檢測板具有一定角度,故該力分解成一個水平分力和一個垂直分力。垂直分力由變送器的機械結構克服而不起作用,而水平分力有一個差動傳感器(線性可調差動變送器),這個信號經與之相連的積算儀檢測和處理,得出瞬時流量和累積流量。
由于只測水平分力,在非碰撞區由掛料產生的豎直重力對測量沒有影響。沒有零點漂移。也不需要頻繁再校準。
儀表配套: |
本儀表由(一次表)粉體沖量式流量變送器;(二次表)粉體沖量式流量儀;穩流裝置(一般情況下,由生產廠指導用戶設計、制造)三部分組成(需流量調解時應配流量調節器),系統配套見下圖

技術參數: |
|
產品型號
|
LFD-227 |
產品型號
|
LFD-229 |
|
流量范圍
|
最小流量范圍;0~200Kg/h 最大流量范圍;0~40t/h |
流量范圍
|
最小流量范圍;0~30t/h 最大流量范圍;0~200t/h |
|
精 度
|
(0.3);0.5;1.0;1.5;(2.0) |
精 度
|
(0.3);0.5;1.0;1.5;(2.0) |
|
最大沖板尺寸
|
400×400mm |
最大沖板尺寸
|
800×800mm |
|
最大檢測板重量
|
15Kg |
最大檢測板重量
|
50Kg |
|
固體物料粒重
|
≤5%的沖板重量(一般在≤15mm) |
固體物料粒重
|
≤5%的沖板重量(一般在≤25mm) |
|
介質使用溫度
|
≤180℃ |
介質使用溫度
|
≤180℃ |
|
產品型號
|
LFD-1211 |
產品型號
|
LFD-129 |
|
流量范圍
|
最小流量范圍;0~750Kg/h 最大流量范圍;0~800t/h |
流量范圍
|
最小流量范圍;0~30t/h 最大流量范圍;0~200t/h |
|
精 度
|
(0.3);0.5;1.0;1.5;(2.0) |
精 度
|
(0.3);0.5;1.0;1.5;(2.0) |
|
最大沖板尺寸
|
1250×800mm |
最大沖板尺寸
|
800×800mm |
|
最大檢測板重量
|
80Kg |
最大檢測板重量
|
50Kg |
|
固體物料粒重
|
≤5%的沖板重量(一般在≤80mm) |
固體物料粒重
|
≤5%的沖板重量(一般在≤25mm) |
|
介質使用溫度
|
≤180℃ |
介質使用溫度
|
≤180℃ |
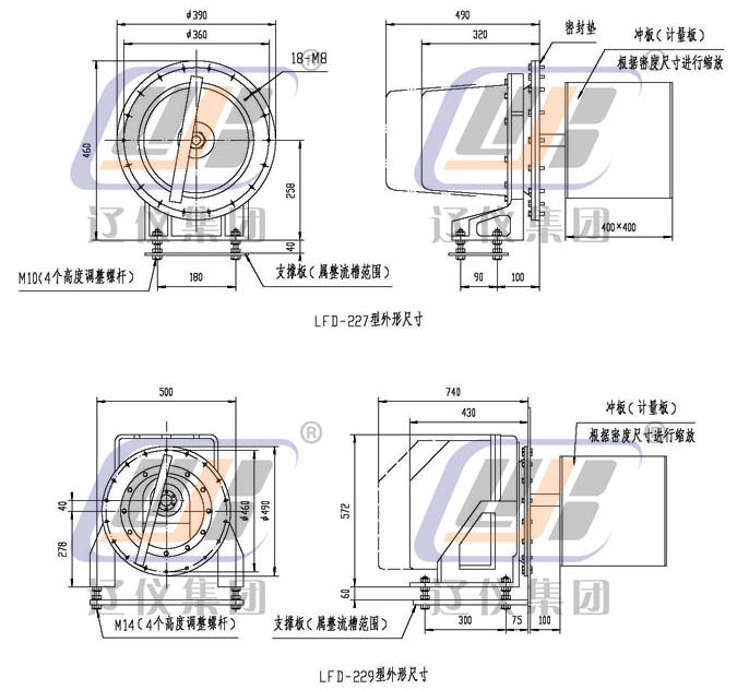
外形尺寸圖: |

外形尺寸圖: |

應用實例: |
|
計測管理
|
定量給料裝置
|
|
高精度定量給料裝置
|
間歇給料
|
|
比例配料
|
自動配料
|
Phone: 13352349933
Tel: 0419-2122560 0419-2123500
Email: lyyb1958@163.com
Add: 注冊地址:遼寧省遼陽市白塔區衛國路67號 生產地址(郵寄地址):遼寧省遼陽市宏偉區光華街12號